跳至主要内容
正齿轮箱 DC 减速电机
  • 正齿轮箱 DC 减速电机

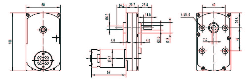
SG10060-DC3657012

正齿轮箱 DC 减速电机 100×60mm 减速箱 变速马达
  • 请联系获取详细信息
  • 可按需打样,来图定制
  • 追求高品质要求和持续服务承诺

规格详情

型号
SG10060-DC3657012
齿轮箱型号
SG10060
齿轮箱类型
正齿轮箱
使用的电机型号
DC3657012
>> 电机详情
电机类型
直流电机
齿轮箱尺寸 (mm)
100×60

齿轮箱数据
减速比齿轮级数齿轮箱长度
(mm)
空载转速
(rpm)
额定转速
(rpm)
额定力矩
(kgf.cm)
60
3
20.7
80
70
8
110
3
20.7
45
40
15
200
4
20.7
25
22
24
365
4
20.7
14
12
44

尺寸图

尺寸图

下载