跳至主要内容
WG2012 齿轮箱 DC 减速电机
  • WG2012 齿轮箱 DC 减速电机

WG2012-DC1220006

WG2012齿轮箱 DC 减速电机 20×12mm 减速箱 变速马达
  • 请联系获取详细信息
  • 可按需打样,来图定制
  • 追求高品质要求和持续服务承诺

规格详情

型号
WG2012-DC1220006
齿轮箱型号
WG2012
齿轮箱类型
蜗轮蜗杆减速箱
使用的电机型号
DC1220006
>> 电机详情
电机类型
直流电机
齿轮箱尺寸 (mm)
20×12

齿轮箱数据
减速比齿轮级数齿轮箱长度
(mm)
空载转速
(rpm)
额定转速
(rpm)
额定力矩
(kgf.cm)
95
4
20
150
125
0.16
190
4
20
75
65
0.3
219
5
20
65
55
0.3
438
5
20
32
28
0.6
504
6
20
29
24
0.6
1007
6
20
14
12
1

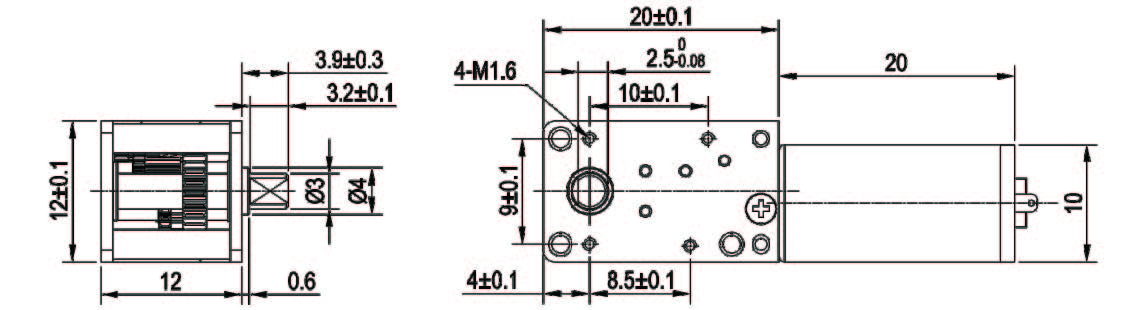
尺寸图

尺寸图

下载