跳至主要内容
正齿轮箱 DC 减速电机
  • 正齿轮箱 DC 减速电机

SG33-DC3323012

正齿轮箱 DC 减速电机 Ø33mm 减速箱 变速马达
  • 请联系获取详细信息
  • 可按需打样,来图定制
  • 追求高品质要求和持续服务承诺

规格详情

型号
SG33-DC3323012
齿轮箱型号
SG33
齿轮箱类型
正齿轮箱
使用的电机型号
DC3323012
>> 电机详情
电机类型
直流电机
齿轮箱直径 (Ø mm)
33

齿轮箱数据
减速比齿轮级数齿轮箱长度
(mm)
空载转速
(rpm)
额定转速
(rpm)
额定力矩
(kgf.cm)
19
3
20
255
225
0.3
48
4
20
100
90
0.7
120
5
22.5
40
36
1.4
301
6
27.5
17
15
3.5
752
7
27.5
6
5
4

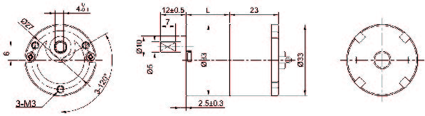
尺寸图

尺寸图

下载