SG20-DC2025006
正齿轮箱 DC 减速电机 Ø20mm 减速箱 变速马达
-
请联系获取详细信息
-
可按需打样,来图定制
-
追求高品质要求和持续服务承诺
规格详情
型号 | SG20-DC2025006 | |
齿轮箱型号 | SG20 | |
齿轮箱类型 | 正齿轮箱 | |
使用的电机型号 | DC2025006 | >> 电机详情 |
电机类型 | 直流电机 | |
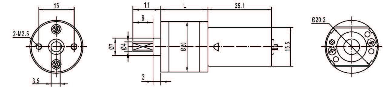
齿轮箱直径 (Ø mm) | 20 |
齿轮箱数据
| 减速比 | 齿轮级数 | 齿轮箱长度 (mm) | 空载转速 (rpm) | 额定转速 (rpm) | 额定力矩 (kgf.cm) |
|---|---|---|---|---|---|
|
29
|
4
|
17.9
|
240
|
190
|
0.3
|
|
31
|
4
|
17.9
|
220
|
180
|
0.3
|
|
56
|
5
|
17.4
|
120
|
100
|
0.5
|
|
73
|
5
|
17.4
|
95
|
76
|
0.7
|
|
107
|
6
|
18.9
|
65
|
52
|
0.9
|
|
182
|
6
|
18.9
|
40
|
31
|
1.5
|
|
268
|
7
|
20.4
|
27
|
21
|
2
|
|
349
|
7
|
20.4
|
21
|
16
|
2.5
|
|
456
|
7
|
20.4
|
16
|
13
|
2.5
|
|
488
|
7
|
20.4
|
15
|
12
|
2.5
|
尺寸图











