PG10T-DCL1020005
行星齿轮箱 DC 减速电机 Ø10mm 减速箱 变速马达
-
请联系获取详细信息
-
可按需打样,来图定制
-
追求高品质要求和持续服务承诺
规格详情
型号 | PG10T-DCL1020005 | |
齿轮箱型号 | PG10T | |
齿轮箱类型 | 行星齿轮箱 | |
使用的电机型号 | DCL1020005 | >> 电机详情 |
电机类型 | 直流电机 | |
齿轮箱直径 (Ø mm) | 10 | |
轴径 (Ø mm) | 2 |
齿轮箱数据
| 减速比 | 齿轮级数 | 齿轮箱长度 (mm) | 空载转速 (rpm) | 额定转速 (rpm) | 额定力矩 (kgf.cm) |
|---|---|---|---|---|---|
|
4.25
|
1
|
3750
|
2900
|
0.05
| |
|
18
|
2
|
14.35
|
860
|
670
|
0.17
|
|
28.4
|
2
|
14.35
|
545
|
420
|
0.27
|
|
76.8
|
3
|
17.6
|
200
|
155
|
0.58
|
|
96.3
|
3
|
17.6
|
200
|
155
|
0.58
|
|
96.3
|
3
|
17.6
|
160
|
124
|
0.7
|
|
151.4
|
3
|
17.6
|
102
|
86
|
1
|
|
326.2
|
4
|
20.9
|
47
|
43
|
1
|
|
513.1
|
4
|
20.9
|
30
|
26
|
1
|
|
807.1
|
4
|
20.9
|
19
|
18
|
1
|
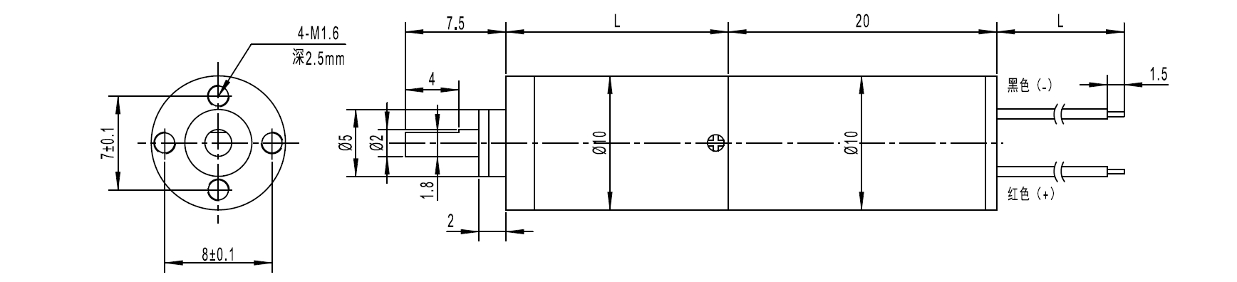
尺寸图











